創澤機器人
CHUANGZE ROBOT
當前位置:首頁 > 新聞資訊 > 機器人應用 > 點焊機器人的規格:持重100kg,最高速度4m/s ,間隔為30~50mm

點焊機器人的規格:持重100kg,最高速度4m/s ,間隔為30~50mm

來源:機械工業大學     編輯:創澤   時間:2025/12/16   主題:其他 [加盟]

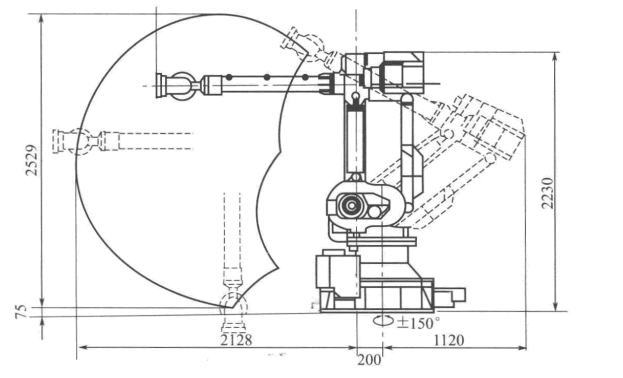
以持重100kg, Z高速度4m/s 的六軸垂直多關節機器人為例,其規格性能如圖6-1及 表6-2所示,這是一種典型的點焊機器人,可勝任大多數車體裝配工序的點焊作業。由于使 用中幾乎全部用來完成間隔為30~50mm 的打點焊接作業,運動中很少能達到Z高速度, 因此,改善Z短時間內頻繁短節距啟動、制動的性能是本機追求的重點。為了提高加速度和減速度,在設計中注意減輕手臂的重量,增加驅動系統的輸出力矩。

同時,為了縮短滯后時 間,得到高的靜態定位精度,該機采用低慣性、高剛度減速器和高功率的無刷伺服電機。由 于在控制回路中采取了加前饋環節和狀態觀測器等措施,控制性能得到大大改善,50mm短距離移動的定位時間被縮短到0.4s 以內。表6-3是控制器控制功能的一個例子。該控制器 不僅具備機器人所應有的各種基本功能,而且與焊機的接口功能也很完備,還帶有焊接條件 的運算和設定功能以及與焊機定時器的通信功能。Z近,點焊機器人與CAD 系統的通信功 能變得重要起來,這種CAD 系統主要用來離線示教。

自由度 六  軸
持重 100kg
    Z大速度 腰回轉   100°s
臂前后
臂上下
腕前部回轉 180°/s
腕彎曲 110°/s
腕根部回轉 120°/s
重復定位精度 ±0.25mm
驅動裝置 無刷伺服電機
位置檢測 絕對編碼器

控制器的控制功能

驅動方式控制軸數 晶體管PWM無刷伺服六軸、七軸
動作形式 各軸插補、直線、圓弧插補
示教方式 示教盒離線示教、磁帶、軟盤輸入離線示教
示教動作坐標 關節坐標、直角坐標、工具坐標
存儲裝置 IC存儲器(帶備用電池)
存儲容量 6000步
輔助功能 精度和速度調節、時間設定、數據編輯、外部輸入輸出、外部條件判斷
應用功能 異常診斷、傳感器接口、焊接條件設定、數據交換

技術特點

①技術綜合性強。工業機器人與自動化成套技術,集中并融合了多項學科,涉及多項 技術領域,包括工業機器人控制技術、機器人動力學及仿真、機器人構建有限元分析、激光 加工技術、模塊化程序設計、智能測量、建模加工一體化、工廠自動化以及精細物流等先進 '

制造技術,技術綜合性強。

②應用領域廣泛。工業機器人與自動化成套裝備是生產過程的關鍵設備,可用于制造、 安裝、檢測、物流等生產環節,并廣泛應用于汽車整車及汽車零部件、工程機械、軌道交 通、低壓電器、電力、IC 裝備、軍工、煙草、金融、醫藥、冶金及印刷出版等眾多行業, 應用領域非常廣泛。

③技術先進。工業機器人集精密化、柔性化、智能化、軟件應用開發等先進制造技術于一體,通過對過程實施檢測、控制、優化、調度、管理和決策,實現增加產量、提高質 量、降低成本、減少資源消耗和環境污染,是工業自動化水平的Z高體現。

④技術升J。工業機器人與自動化成套裝備具備精細制造、精細加工以及柔性生產等 技術特點,是繼動力機械、計算機之后,出現的多面延伸人的體力和智力的新一代生產工 具,是實現生產數字化、自動化、網絡化以及智能化的重要手段。





醫用機器人的應用:臨床醫療用機器人、護理機器人、醫用教學機器人

運送藥品的機器人代替護士送飯、送病例和化驗單等;移動病人的機器人幫助護士移動或運送癱瘓、行動不便的病人;臨床醫療的機器人通過互聯網將醫生和患者的信息進行交互

服務機器人的應用:為人類生活和健康提供服務

服務機器人是一種以自主或半自主方式運行,主要是一個移動平臺,它能夠移動,上面有一些手臂進行操作,對周邊的環境進行識別,判斷自己的運動,完成某種工作

智能安防巡檢機器人的起源與發展歷史,Denning Sentry,Rovio, MDARS-E,MPR-800

智能安防巡檢機器人是一種主要用于巡邏、放哨、防盜、防火等的多功能機器人,采用多種高性能傳感器自動地檢測障礙物和完成自動值守、報警等各種保安任務

輪式引導機器人的輪子設計方案:四種輪子類型

(a) 標準輪:2個自由度,圍繞輪軸(電動的)和接觸點轉動; (b)小腳輪:2個自由度,圍繞偏移的操縱接合點旋轉;(c) 瑞典輪:3個自由度,圍繞 輪軸(電動的)、輥子和接觸點旋轉;(d)球體或球形輪:技術上實現困難

六腿機器人(六腳)設計案例參考:Lauron,Genghis

六腿結構在移動機器人學中已經很流行,因降低了控制的復雜性;在大多數情況下,各條腿有3個自由度,各腿有業余伺服電機所提供的2個自由度,僅由臀部彎曲和臀部外展組成

四腿機器人機器狗設計案例參考:AIBO,BigDog 和LittleDog

四腿機器人在人機交互研究中,具有當作有效人造產品的潛能,能夠走、跑、爬,并運載重負荷,LittleDog是一個小尺寸的機器人,這個機器人在爬行和動態運動步態方面,具有足夠強的功能

核電人形機器人的八點特性:高輻射耐受性,智能決策,智能決策,自主導航定位,遠程操控便捷

高輻射耐受性確保機器人在惡劣環境中電子系統正常運作;運動控制能力適配復雜任務與場景;自主導航定位能夠巧妙地利用空間,在狹窄通道和設備間隙間準確穿梭

核電人形機器人專題報告[工業應用場景],核電全產業鏈智能化的核心支撐

人形機器人有望成為核電全產業鏈智能化的核心支撐,為核電智能化發展開啟新篇章;完成訓練數據采集系統和工藝自主化實現的階段性驗收,標志著人形機器人在核電行業應用邁向重要階段

人形機器人危險類型及典型示例:機械危險、 電氣危險、熱危險、噪聲危險、震動危險、輻射危險

人形機器人作為具身智能的典型載體,工作應用場景豐富; 對自主性與動態決策能力的覆蓋不足;動態與非結構化環境的適應性;多模態交互的復雜性可能產生復合風險

服務機器人安全方面檢測:機械安全、電氣安全、功能安全、協同安全

機器人機械安全是指通過機械結構設計確保機器人在運行過程中避免因機械故障;電氣安全避免因電氣故障引發觸電;功能安全確保人形機器人在其功能執行過程中避免對人員、 環境或自身造成傷害

服務機器人智能方面檢測:大小腦智能、 肢肌體運動

大小腦智能應覆蓋感知、認知、決策與執行的完整鏈路,為下層肢肌體系統提供策略指導與控制信號支持;肢肌體運動結構集成、控制算法與感知反饋系統的融合程度

人形機器人檢測的六個核心專業維度:智能,安全,可靠,可信,綠色,兼容

智能-評估大小腦智能、肢肌體運動等能力的水平;可靠-考察機器人在壽命、平均無故障時間以及環境適應性;可信-涵蓋數據可信、算法可信以及行為可信
資料獲取
機器人應用
== 資訊 ==
點焊機器人的規格:持重100kg,最高速
機器人軌跡規劃的基本原理
機器人操作臂動力學方程系數的簡化
觸覺傳感器行業首次覆蓋:無觸不成手,觸覺
2025人形機器人產業鏈市場洞察及方案介
把 AI 放到指數位—2025新思維
機器人如何鎖定目標說話人:聲紋識別,空間
機器人語音交互的智能打斷的方式:發聲即打
多輪對話的基本原理:采用 RTC 技術低
老年人陪伴機器人關注的重點:表達能力 >
WebSocket在實時對話中存在關鍵缺
機器人互動如何做好上下文:短期記憶,固化
2025對話式AI發展白皮書-技術模塊,
2025機器人企業創新50強
機器人的動力學:拉格朗日法
== 機器人推薦 ==
迎賓講解服務機器人

服務機器人(迎賓、講解、導診...)

智能消毒機器人

智能消毒機器人

機器人開發平臺

機器人開發平臺


機器人底盤 Disinfection Robot 消毒機器人  講解機器人  迎賓機器人  移動機器人底盤  商用機器人  智能垃圾站  智能服務機器人  大屏機器人  霧化消毒機器人  展廳機器人  服務機器人底盤  具身智能教育機器人  智能配送機器人  導覽機器人 
版權所有 創澤智能機器人集團股份有限公司 運營中心:北京 清華科技園九號樓5層 生產中心:山東日照太原路71號
銷售1:4006-935-088 銷售2:4006-937-088 客服電話: 4008-128-728